Polytron Active Speaker PWM PSU IC Repair Guide

C.Codelathe 23 views
Polytron Active Speaker PWM PSU IC Repair Guide

Polytron Active Speaker PWM PSU IC Repair Guide

Hey guys, let’s dive deep into the heart of your Polytron active speaker – the PWM PSU IC ! If you’re experiencing issues like no sound, distorted audio, or intermittent power, chances are the Pulse Width Modulation (PWM) Power Supply Unit (PSU) Integrated Circuit (IC) might be the culprit. This tiny component is super crucial for regulating the power that keeps your speakers singing. In this guide, we’ll break down how to identify, test, and potentially repair or replace this vital IC. So, grab your tools, and let’s get this audio party back on track!

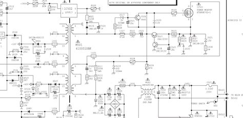
Understanding the PWM PSU IC in Your Polytron Speaker

Alright, so what exactly is this PWM PSU IC in your Polytron active speaker, and why should you care? Think of it as the brain of the power supply. It’s responsible for efficiently converting the AC power from your wall socket into the stable DC voltages that your speaker’s amplifier and other components need to function. The ‘PWM’ part stands for Pulse Width Modulation, which is a really clever way to control the output voltage by rapidly switching the power on and off. The duration of the ‘on’ time (the pulse width) determines the average voltage. This method is way more efficient than older linear power supply designs, meaning less wasted energy as heat. When this IC PWM PSU speaker aktif Polytron starts acting up, it can throw the whole system off balance. You might notice your speaker cutting out randomly, producing a persistent hum, or just completely refusing to power on. Sometimes, it can even lead to damage to other parts of the speaker if the voltage regulation goes haywire. Identifying a faulty PWM PSU IC can be a bit tricky, as it often requires a multimeter and some understanding of basic electronics. However, by carefully examining the power supply board and looking for common signs of failure – like bulging capacitors or discolored components near the IC – you can often narrow down the problem. The IC PWM PSU speaker aktif Polytron is usually part of a larger power supply module, and its failure means the entire module might need attention. We’ll go into more detail about troubleshooting steps later, but for now, just know that this IC is the gatekeeper of power for your beloved Polytron speakers. Keeping it in good working order is key to enjoying clear, uninterrupted sound.

Common Issues with PWM PSU ICs

So, you’ve got a Polytron active speaker that’s acting up, and you suspect the PWM PSU IC might be the troublemaker. What are the usual suspects when it comes to these little powerhouses failing? First off, overheating is a big one. These ICs work hard, and if the cooling isn’t adequate, or if they’re constantly pushed to their limits (maybe trying to power speakers beyond their capacity), they can overheat. This can lead to internal damage and eventual failure. Another common enemy is voltage spikes or power surges . Just like any electronic component, a sudden jolt of too much power can fry the delicate circuitry inside the IC. This is why surge protectors are your best friends, guys! Aging and wear and tear are also inevitable. Electronic components have a lifespan, and over years of consistent use, the internal components of the PWM PSU IC can degrade. Think of it like an old car engine – it just gets tired. Faulty capacitors on the power supply board are also notorious for causing issues that look like an IC failure, or can even cause an IC failure. Capacitors are like tiny energy storage tanks, and when they bulge, leak, or dry out, they can send incorrect voltages or no voltage at all to the IC, stressing it out. Finally, manufacturing defects can happen, though they’re less common. Sometimes, an IC might just be bad right out of the box or fail prematurely due to a flaw in its production. When you’re diagnosing your IC PWM PSU speaker aktif Polytron , look for these signs. Does the IC itself look burnt or discolored? Are there any puffed-up or leaking capacitors nearby? Has there been a recent power outage or storm? These clues can help you pinpoint whether the PWM PSU IC is indeed the source of your audio woes. Remember, a little investigation goes a long way in fixing your gear!

Troubleshooting Your Polytron Speaker’s Power Supply

Now that we know what the PWM PSU IC is and what can go wrong, let’s get down to the nitty-gritty: troubleshooting! This is where you’ll need to be a bit brave and get your hands dirty, but don’t worry, we’ll take it step-by-step. First things first, safety first, guys! Always unplug your Polytron active speaker from the power outlet before you even think about opening it up. Seriously, electricity is no joke. Once it’s unplugged, open up the speaker enclosure. You’re looking for the power supply board. This is usually a separate circuit board that connects to the main power cord and distributes power to the rest of the speaker components. On this board, locate the PWM PSU IC . It’s often a black chip with many pins, possibly with a heatsink attached if it generates a lot of heat. The first visual check is crucial: look for any obvious signs of damage. Are there any burn marks on the IC or the PCB (Printed Circuit Board) around it? Are any capacitors bulging or leaking? If you see any of these, that’s a strong indicator of a problem. Next, if you’re comfortable with a multimeter, you can start testing voltages. With the speaker still unplugged , you can check for continuity on certain pins, but for voltage testing, you’ll need to carefully plug the speaker back in (ensure all other connections are secure and the unit is stable). WARNING: Only do this if you are confident working with live circuits. Test the output voltages from the power supply. Are they within the expected ranges specified in the speaker’s service manual (if you can find one)? If the voltages are absent, unstable, or way off, the IC PWM PSU speaker aktif Polytron or its surrounding components are likely the issue. You can also try gently touching the IC (if it’s not too hot!) to see if it’s overheating excessively. If it’s scalding hot, that’s a bad sign. Sometimes, a simple fix like replacing a nearby blown fuse or a suspect capacitor can resolve the issue, indirectly helping the IC. However, if the voltages are still wrong after checking these, the IC itself is a prime candidate for replacement. Don’t be afraid to consult online forums or diagrams specific to your Polytron model if you get stuck. Every speaker is a bit different, but the core principles of power supply troubleshooting remain the same!

Using a Multimeter for Diagnosis

Okay, so you’ve got your multimeter ready, and you’re looking at the power supply board of your Polytron active speaker, trying to figure out if that PWM PSU IC is the problem. This is where things get a little technical, but it’s super rewarding when you nail it! First, make sure your multimeter is set to the correct function – usually DC voltage (VDC) for checking power output. Remember to UNPLUG the speaker first before you start poking around, especially when identifying test points. Once you’ve identified the expected output pins for the IC or the power supply section, you’ll need to carefully power the unit on to take readings. This is the part where you need to be extra cautious, guys, as you’re dealing with live electricity. Ensure the board is stable, your hands are dry, and you’re not touching any other components. Look for labels on the PCB indicating VCC (positive voltage), GND (ground), and VOUT (output voltage). Start by measuring the input voltage to the IC if possible, and then check the output voltages. A properly functioning IC PWM PSU speaker aktif Polytron will deliver specific, stable DC voltages needed by the amplifier. If you’re getting zero volts, fluctuating voltages, or voltages that are significantly higher or lower than specified (check online forums or service manuals for typical values for your speaker model), then the IC is very likely faulty. You can also use the multimeter in resistance (Ohms) mode to check for shorts between power rails or to ground when the unit is unplugged . A dead short (very low resistance) where there shouldn’t be one is a clear sign of a problem, often indicating a failed component like the IC itself or a related part. Sometimes, you might not even need to test the IC directly. If the voltages before the IC seem fine, but the voltages after it are wrong, it strongly points to the IC or components immediately connected to it. Don’t forget to check any associated components like diodes, transistors, and especially capacitors around the IC, as their failure can mimic or cause IC failure. Patience and methodical testing with your multimeter are your best tools here. It’s all about isolating the faulty section, and often, the PWM PSU IC will reveal itself through inconsistent or absent voltage readings.

Replacing the PWM PSU IC

So, you’ve done the detective work, and it seems pretty certain that the PWM PSU IC is the bad guy in your Polytron active speaker. The next logical step, if you’re up for it, is replacement. This can be a bit more involved than just testing, as it usually requires soldering skills. If you’re not comfortable with a soldering iron, it might be time to seek professional help or see if a friend with electronics experience can lend a hand. First, find the exact replacement IC. You’ll need the part number printed on the original IC. Make sure the replacement is identical in terms of pin configuration, voltage rating, and function. Ordering the wrong IC is a common mistake that can lead to further damage. Once you have the new IC, and again, make sure the speaker is unplugged , you’ll need to remove the old IC. This usually involves desoldering it from the power supply board. Using a desoldering pump or desoldering braid is essential here to carefully remove the solder from each pin. Be gentle, as the traces on the PCB can be delicate. Try not to overheat the board. Once the old IC is out, clean the pads on the PCB where it was attached. Now comes the soldering of the new IC PWM PSU speaker aktif Polytron . Carefully align the new IC, making sure all the pins go into their corresponding holes or pads. Solder each pin carefully, ensuring a good connection without creating any solder bridges (where solder connects two adjacent pins). Double-check your work! After soldering, it’s a good idea to visually inspect the board again for any accidental shorts or bad solder joints. Before powering up, you can even use your multimeter on resistance mode (with the unit unplugged) to check for shorts between power and ground pins on the new IC. If everything looks good, you can then carefully reassemble the speaker and give it a test. Plug it in, and hopefully, you’ll be greeted with the sweet sound of your Polytron speaker working perfectly again. If it still doesn’t work, don’t despair! It might be another component, or perhaps the IC wasn’t the only issue. But replacing the PWM PSU IC is a significant step in the repair process, and often, it’s the magic bullet.

Soldering Tips for IC Replacement

Alright guys, let’s talk soldering, because replacing that PWM PSU IC in your Polytron speaker is going to hinge on your ability to do it right. Soldering is an art, but with a few key tips, you can make it a whole lot easier. First off, use the right tools . You need a decent soldering iron with a fine tip, some good quality solder (rosin-core is usually best for electronics), flux, and either a desoldering pump or desoldering braid. Don’t skimp on these; cheap tools can make the job frustrating and lead to mistakes. When removing the old IC, the goal is to heat each solder joint just enough to melt the solder and then use your desoldering tool to remove it. Work one pin at a time. Don’t just go in with the iron and try to rip the IC out – you’ll likely damage the PCB. For placing the new IC PWM PSU speaker aktif Polytron , start by tacking down just one or two pins first. This helps secure the IC in the correct position. Then, go back and solder the rest of the pins. Apply a small amount of flux to the joint before soldering; it helps the solder flow smoothly and create a strong bond. When you apply the solder, touch the iron tip to the joint (where the pin meets the pad), and then touch the solder wire to the heated pin/pad area . Let the heat of the joint melt the solder, not the iron directly. You want a nice, shiny, concave joint – not a blobby, dull mess. Avoid